导读 :
中国北京清华大学的张莹莹副教授,多年来率领团队研究“低维纳米碳材料”的可控制备、性能调控与应用探索,希望能够制造拥有感测环境或传输能源功能的柔软电子器具;不过要
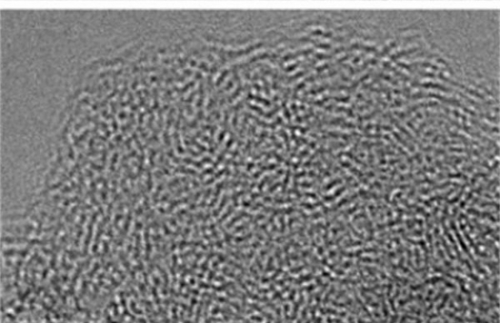
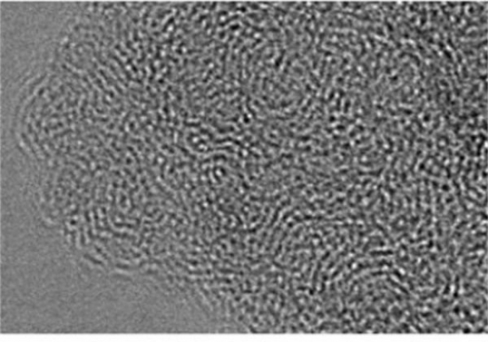
这项实验听起来很大胆,但事实证明,他们的尝试成功了!研究人员将0.2%的纳米碳管及石墨烯溶液喷在桑叶上,让蚕吃下,等蚕化茧后抽丝。
结果得到的蚕丝韧性是普通蚕丝的两倍,可以承受比以往多50%以上的应力。研究人员还将蚕丝加热至1050℃使其碳化,研究它的导电性和结构,发现这种丝能够导电,且具有更有序的晶体结构。
资料:贺军翔个人档案(附图)
2036-02-12
八年级上册历史《全册人物扫描》知识
2036-02-09
央视纪录片《王阳明》(1-5集)+顶级文案
2024-09-18
最新部编版自相矛盾教学设计一等奖(10篇)
2024-09-17
淡泊名利的5位男演员,个个是影帝级别,再穷也不乱接戏
2024-09-17
王二妮近况曝光,脸部僵硬引争议
2024-09-17
世界十大最毒蜘蛛:遇见了千万要躲开
木星也有极光,覆盖面积超5.1亿平方千米
实拍中国最诡异王朝墓地,被称东方金字塔,连鸟兽都对其心存敬意
深海“梦魇”!实拍恐怖海洋生物
9大行星证件照,地球的那个介绍秒杀整个银河系,你就说服不服?
中国特种部队以他来命名,比老虎还要珍贵。
喂蚕宝宝吃这物 竟然吐出“超级蚕丝”
外国大神给出世界末日的八种可能,最后一种宇宙都玩完儿
济南的五龙潭水底下到底藏了什么?